Electrodeionization

Electrodeionization is a water treatment technology that utilizes an electricity, ion exchange membranes and resin to deionize water and separate dissolved ions (impurities) from water. It differs from other water purification technologies in that it is done without the use of chemical treatments and is usually a polishing treatment to reverse osmosis (RO). There are also EDI units that are often referred to as continuous electrodeionization (CEDI) since the electric current regenerates the resin mass continuously. CEDI technique can achieve very high purity, with conductivity below 0.1 µS/cm.
Applications
When fed with low TDS feed (e.g., feed purified by RO), the product can reach very high purity levels (e.g., 18 Megohms/cm[1]). The ion exchange resins act to retain the ions, allowing these to be transported across the ion exchange membranes. The main usage of EDI technology such as that supplied by Ionpure,E-cell and SnowPure are in electronics, pharmaceutical, and power generation applications.
One important aspect in the water treatment application is that some types of EDI needs to have feed water that is free from CO2, as well as other dissolved gasses, since these are in a dissolved form they will put unnecessary strain on the EDI unit and will reduce performance.
Theory
An electrode in an electrochemical cell is referred to as either an anode or a cathode, terms that were coined by Michael Faraday. The anode is defined as the electrode at which electrons leave the cell and oxidation occurs, and the cathode as the electrode at which electrons enter the cell and reduction occurs. Each electrode may become either the anode or the cathode depending on the voltage applied to the cell. A bipolar electrode is an electrode that functions as the anode of one cell and the cathode of another cell.
Each cell consists of an electrode and an electrolyte with ions that undergo either oxidation or reduction. An electrolyte is a substance containing free ions that behaves as an electrically conductive medium. Because they generally consist of ions in solution, electrolytes are also known as ionic solutions, but molten electrolytes and solid electrolytes are also possible. They are sometimes referred to in abbreviated jargon as lytes.
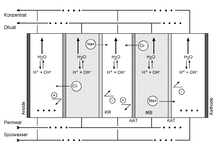
Water is passed between an anode (positive electrode) and a cathode (negative electrode). Ion-selective membranes allow the positive ions to separate from the water toward the negative electrode and the negative ions toward the positive electrode. High purity deionized water results.
See also
- Capacitive deionization
- Electrodialysis
- Water purification
- Water treatment
- Purified water
- Ionization
References
- Continuous Electrodeionization (CEDI/EDI) Ionpure CEDI Products
- CEDI University web site
- Electrodeionization (EDI), The Dow Chemical Company
- Electrodeionization Systems, Electrodeionization Systems
- Advanced Electrodeionization Technology for Product Desalting, Argonne National Laboratory
- ↑ , Resistivity / Conductivity Measurement of Purified Water, Lab Manager Magazine
